BeatSonic PREMIUM komplett 2-DIN kit IS u/navi m/aktivt system (2006-2012) BeatSonic PREMIUM komplett 2-DIN kit IS u/navi m/aktivt system (2006-2012) BeatSonic PREMIUM komplett 2-DIN kit IS u/navi m/aktivt system (2006-2012) BeatSonic PREMIUM komplett 2-DIN kit IS u/navi m/aktivt system (2006-2012)

BeatSonic PREMIUM komplett 2-DIN kit

IS u/navi m/aktivt system (2006-2012)

Varenr: SLX140L
Veil.4 299,-
BeatSonic - Spesialisten på integreringsløsninger til japanske bilmerker - Made in Japan
 
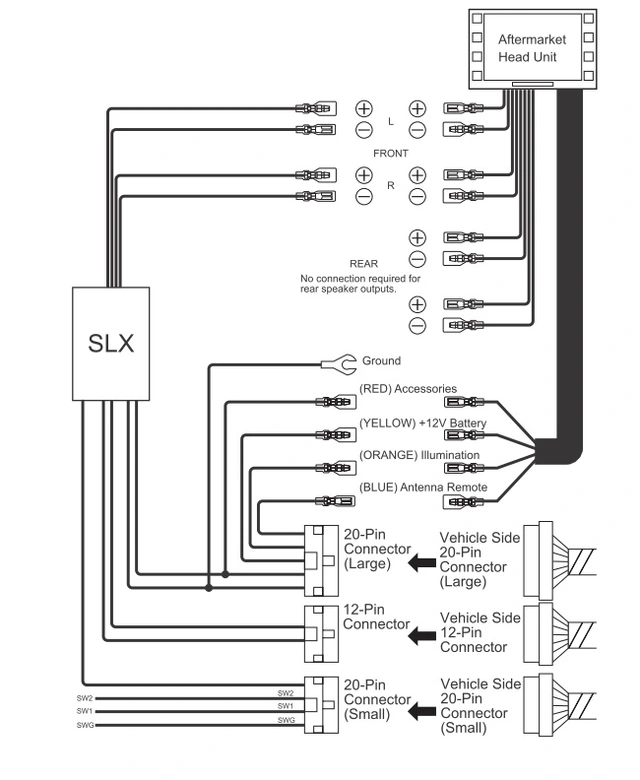
Adapterløsning til Lexus som lar deg installere en 2-DIN ettermarkedsspiller og samtidig beholde originale klimainnstillinger og bilens aktive høyttalersystem! (Kompatibelt med både Mark Levinson og Lexus Premium Soundsystems)
 
Passer til følgende modeller (uten navigasjon, med aktivt høyttalersystem)
Lexus IS200d 2011 - 2012
Lexus IS220d 2006 - 2010
Lexus IS250 2006 - 2012
Lexus IS350 2006 - 2012
Lexus IS-C 2010 - 2015
Lexus IS-F 2008 - 2014
 
Settet inneholder
  • Midtskonsoll sidedeksler
  • 2-Din braketter
  • Integrerings-/multifunksjonsratt-adapter med OEM Lexus plugger